AUTOMATIC DOOR SYSTEMS

Tam Otomatik 2 Panel Merkezi Kat Kapısı

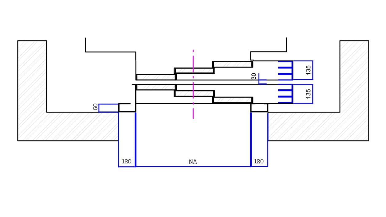
Full Automatic 3-Panel Telescopic Landing Door
High comfort with new mechanical design.
To be able to work in accordance with the brushed and brushless motor system.
Instantly opens while sticks.
Adapting to heavy-duty doors.
Low energy consumption.
High tolerance operation in grid voltage changes.
Setting the lock position.
Spring stiffness adjustment.
Adjustment of panels on 3 axes.
CE lock system.
Framed GLASS panel options for modern designs.
Product design friendly with human health and safety features.
All colors and patterns can be produced on request. 

Flexible Kablolar

Technical Drawing

Technical Specifications

Kapı Tipi

Kapı Genişliği

Min.

Kapı Genişliği

Max.

Net Giriş Yüksekliği

Min.

Net Giriş Yüksekliği

Max.

Sızdırmazlık Sınıfı

Renkler ve Desenler

Door Type

Door Width

Min.

(NA)

Door Width

Max.

(NA)

Net Input Height

Min.

Net Input Height

Max.

Sealing Class

Colors and Patterns

E

EI

EW

T.P.

600

1300

2000

2300

60

-

60

Ral / Paslanmaz

Rall / Stainless

About Us

Büyükkayacıkosb Mah.
T.Ziyaeddin Akbulut Cad. No:4/1
3. Organize Sanayi Bölgesi
Selçuklu / Konya / TÜRKİYE

Follow Us